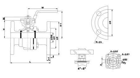
【结构图片】

【结构说明】
上海凯利科为您提供KQ41F不锈钢抗硫球阀结构图,本结构图希望对您有所帮助。
1、KQ41F不锈钢抗硫球阀结构设计的主要依据国家相关标准规定设计。
2、KQ41F不锈钢抗硫球阀所采用的通用做法和标准构件图集。
3、如有特殊KQ41F不锈钢抗硫球阀构件需作结构性能检验时,应指出检验的方法与要求。
4、KQ41F不锈钢抗硫球阀主要根据剖面、长度、高度、外形等作出说明。
5、KQ41F不锈钢抗硫球阀所选用结构材料的品种、规格、性能及相应的产品标准。
【结构总结】
KQ41F不锈钢抗硫球阀结构主要是给安装单位提供具有更好的了解该KQ41F不锈钢抗硫球阀的外形结构、使用时考虑到工况、环境等因数在应用中有着更合理的计划规范,不会在安装时产生空间使用不合理等常见问题。本结构图所属万象城手机在线官网,万象城(中国)提供,并提供相关外形尺寸,在应用中可以作为参考。