万象城手机在线官网,万象城(中国)
公司介绍
新闻中心
组织机构
服务理念
售后服务
联系我们
产品中心
jtgk.png

产品中心

D341F46衬氟法兰蝶阀

您的位置:阀门 - 蝶阀 - D341F46衬氟法兰蝶阀 更新时间:2025-10-29 09:10:54
D341F46衬氟法兰蝶阀
    • 质量安全:压力、材质、密封等全方位检测确保质量过关!
    • 价格比较:在相同品质的情况下,厂里直销,更具有优势!
    • 交货快捷:常规产品现货供应,生产加工销售一条龙服务!
      上海凯利科阀门致力于高品质阀门的设计、研发、生产销售服务于一体的大型阀门企业,科技创新,永不止步,与您携手共创辉煌...

    • 产品描述
    • 在线询价
    • 技术咨询
    D341F46衬氟法兰蝶阀D341F46衬氟法兰蝶阀

    D341F46衬氟法兰蝶阀广泛用于防腐管道系统上。主要用以实现阀门的开启、关闭与调节。全衬聚四氟乙烯(F4)、聚三氟氯乙烯(F3)和聚全氟乙丙烯(F46)氟塑料衬里阀,具有耐腐蚀、无泄漏、寿命长等优点。 适用于浓硫酸、盐酸、硝酸、氢氟酸、王水、各种有机酸、强酸、氧化性介质或高温烯硫酸、高温浓醋酸、酸碱交替及多种有机溶剂和其它强腐蚀性介质。

    产品名称: 衬氟法兰蝶阀 产品型号: D341F46
    公称通径: DN40~DN1200 阀座密封: F4、F46
    公称压力: 1.0Mpa~1.6MPa 连接方式: 对夹式、法兰式
    适用温度: -25ºC~+150ºC 驱动方式: 手动、蜗轮、电动、气动
    阀体材质: 铸铁、铸钢、不锈钢 制造标准: 国标GB、德国DIN、美国API、ANSI
    适用介质: 强酸、碱、硫酸、王水腐蚀性液体 生产厂家: 万象城手机在线官网,万象城(中国)

    产品说明

    D341F46衬氟法兰蝶阀广泛用于防腐管道系统上。主要用以实现阀门的开启、关闭与调节。全衬聚四氟乙烯(F4)、聚三氟氯乙烯(F3)和聚全氟乙丙烯(F46)氟塑料衬里阀,具有耐腐蚀、无泄漏、寿命长等优点。 适用于浓硫酸、盐酸、硝酸、氢氟酸、王水、各种有机酸、强酸、氧化性介质或高温烯硫酸、高温浓醋酸、酸碱交替及多种有机溶剂和其它强腐蚀性介质。

    产品特点

    1、中线蝶阀为整个蝶板与阀座在360°圆周内同心(中线),具有双向密封功能,压力,流量可自由调节;
    2、四级加载弹性密封,绝对保证了阀门内、外的零泄漏;
    a、轴头、蝶板园周连接处的特殊过渡曲线与阀座的合理过盈;
    b、轴头端面采用弹性O型圈和轴肩处刚性垫圈、弹性橡胶垫组合;
    c、轴的径向采用O型圈与金属垫的组合;
    d、阀座镶在有弹性条的阀体的槽内;
    3、采用可调弹性弹子定位。定位准确,结构简单。

    应用标准

    设计标准 GB12238
    结构长度 GB12221
    法兰标准 JB/T79-94
    GB9113.1-26
    检验试验 GB/T13927
    驱动方式 蜗轮、手动、电动、气动

    性能规范

    零件名称 材料
    上下阀体 铸铁、铸钢、不锈钢、衬F46、F4
    阀座 铸钢
    带杆蝶板 铸钢、不锈钢、衬F46、F4
    填料 F4
    衬垫 硅橡胶
    蜗轮手柄 球墨铸铁

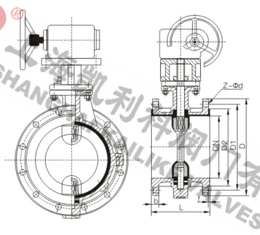
    外形结构图

    D341F46衬氟法兰蝶阀主要外形尺寸

    公称通经 L D D1 D2 f b Z-φd
    DN(mm) NPS(inch) PN1.0MPa
    40 3/2 106 145 110 85 3 18 4-φ18
    50 2 108 160 125 100 3 20 4-φ18
    65 5/2 112 180 145 120 3 20 4-φ18
    80 3 114 195 160 135 3 22 4-φ18
    100 4 127 215 180 155 3 22 8-φ18
    125 5 140 245 210 185 3 24 8-φ18
    150 6 140 280 240 210 3 24 8-φ23
    200 8 152 335 295 265 3 26 8-φ23
    250 10 250 390 350 320 3 28 12-φ23
    300 12 270 440 400 368 3 28 12-φ23
    350 14 290 500 460 428 4 30 16-φ23
    400 16 310 565 515 482 4 32 16-φ25
    450 18 330 615 565 532 4 32 20-φ25
    500 20 350 680 620 585 4 34 20-φ25
    600 24 390 780 725 685 5 36 20-φ30
    700 28 430 895 840 800 5 40 24-φ30
    800 32 470 1010 950 905 5 44 24-φ34
    900 36 510 1110 1050 1005 5 46 28-φ34
    1000 40 550 1220 1160 1115 5 50 28-φ34

    D341F46衬氟法兰蝶阀主要外形尺寸

    公称通经 L D D1 D2 f b Z-φd
    DN(mm) NPS(inch) PN1.6MPa
    40 3/2 106 145 110 85 3 18 4-φ18
    50 2 108 160 125 100 3 20 4-φ18
    65 5/2 112 180 145 120 3 20 4-φ18
    80 3 114 195 160 135 3 22 8-φ18
    100 4 127 215 180 155 3 24 8-φ18
    125 5 140 245 210 185 3 26 8-φ18
    150 6 140 280 240 210 3 28 8-φ18
    200 8 152 335 295 265 3 30 12-φ23
    250 10 250 405 355 320 3 32 12-φ25
    300 12 270 460 410 375 4 34 12-φ25
    350 14 290 520 470 435 4 38 16-φ25
    400 16 310 580 525 485 4 40 16-φ30
    450 18 330 640 585 545 4 44 20-φ30
    500 20 350 705 650 608 4 46 20-φ34
    600 24 390 840 770 718 5 54 20-φ41
    700 28 430 910 840 788 5 54 24-φ41
    800 32 470 1020 950 898 5 54 24-φ41
    900 36 510 1120 1050 998 5 54 28-φ41
    1000 40 550 1255 1170 1110 5 60 28-φ48
     
     

    声明:【D341F46衬氟法兰蝶阀】规格型号、结构尺寸由万象城手机在线官网,万象城(中国)提供,如何选择适用的D341F46衬氟法兰蝶阀产品,使之在工艺控制中安全可靠、经济适用,可致电我司销售部门及技术部门,我们将在最短的时间内为您解答!

    

    Copyright ©2011-2023 万象城手机在线官网,万象城(中国),版权所有。 沪ICP备11046016号-29 网站地图

    销售电话:021-31001158

    手机号码:13816746668 陈国辉/经理

    电子邮件:klkvalves@126.com@126.com

    主营产品:球阀,闸阀,蝶阀,截止阀,止回阀,调节阀

    本周热门:不锈钢阻火器全天候呼吸阀气动球阀气动蝶阀气动刀闸阀气动调节阀电动球阀电动蝶阀电动刀闸阀电动调节阀不锈钢球阀不锈钢闸阀不锈钢截止阀不锈钢止回阀不锈钢电磁阀高压电磁阀高压球阀波纹管截止阀

    官方网址:www.ramsfootballclub.com