



SD941X,SD943H电动法兰式伸缩蝶阀
SD941X/SD943H电动法兰式伸缩蝶阀具有自动补偿管道热胀冷缩方便装卸的功能,使用于温度在425℃以下,公称压力在1.6MPa以下的石油、化工、电力、造纸、给排水和市政建设等工业管道上作调节流量和载断流体的最佳装置。
| 产品名称: | 电动法兰式伸缩蝶阀 | 产品型号: | SD941X/SD943H |
| 公称通径: | DN40~DN2000 | 阀座密封: | 橡胶密封或金属硬密封 |
| 公称压力: | 0.6MPa~1.0MPa~1.6MPa | 连接方式: | 法兰式 |
| 适用温度: | -30ºC~+425ºC | 驱动方式: | 手动、蜗轮、电动、气动、液动 |
| 阀体材质: | 铸铁、球墨铸铁、铸钢、不锈钢 | 制造标准: | 国标GB、德国DIN、美国API、ANSI |
| 适用介质: | 空气、水、蒸气、煤气、油品等 | 生产厂家: | 万象城手机在线官网,万象城(中国) |
| 工作压力(MPa) | 0.6 | 1.0、1.6、2.5 | ||
| 适用温度(℃) | 橡胶密封≤80℃ | 适用温度(℃) | 金属硬密封≤425℃ | |
| 适用介质 | 水、污水、油品、空气等 | 适用介质 | 水、蒸汽、污水、油品、空气等 | |
| 材料 | 阀体 | 灰铸铁 | 灰铸铁、铸钢 | 球墨铸铁 |
| 蝶板 | 球墨铸铁(表面处理) | 球墨铸铁、不锈钢 | 球墨铸铁 | |
| 阀杆 | 2Cr13 | 不锈钢、碳素钢 | 铬不锈钢 | |
| 公称通径 | DN(mm) | 50~2000 | ||
| 公称压力 | PN(MPa) | 0.6 | 1.0 | 1.6 |
| 试验压力 | 强度试验 | 0.9 | 1.5 | 2.4 |
| 密封试验 | 0.66 | 1.1 | 1.76 | |
| 气密封试验 | 0.6 | 0.6 | 0.6 | |
| 适用温度 | ≤80℃~425℃ | |||
| 适用介质 | 空气、水、蒸气、煤气、油品等。 | |||
| 驱动形式 | 手动、蜗杆蜗轮传动、气传动、电传动。 | |||
| 执行器类别 | 引进型JOX系列执行器参数 | 引进型3610R系列执行器参数 | 引进型JHQ系列执行器参数 |
| 电源电压 | 标准:220V AC单相 可选:110V AC 单相、380/440V AC 三相、24V/110V/220V AC | ||
| 输出力矩 | 50N·M~2000N·M | 50N·M~1500N·M | 50N·M~3000N·M |
| 动作范围 | 0~90° 0~360° | 0~90° | 0~90°、0°~270°可选 |
| 控制方式 | 开关到位灯(开关两位控制)、无源触点信号、1/5K电位计、智能调节(4~20mA模拟量信号控制) | ||
| 动作时间 | 15秒/30秒/60秒 | 10秒/15秒/30秒 | 18S~112S |
| 保护装置 | 过热保护 | 过载保护 | 内置过热保护、过载保护 |
| 环境温度 | -30°~60° | -30°~60° | -20℃~+70℃ |
| 手动操作 | 同附带手柄操作 | 同附带手柄操作 | 机械离合机构,配手轮操作 |
| 机械限位 | 电气、机械二重限位 | 电气、机械二重限位 | 2个外部调整螺栓 |
| 防护等级 | IP65 | IP55 | IP65、IP67、可定制IP68 |
| 防爆等级 | 无防爆 | ExdⅡ BT4 | ExdⅡ BT4,ExdⅡ CT6 |
| 位置测量 | 可选装开关或电位计 | 比例控制单元 | 电位计、比例控制单元 |
| 驱动电机 | 8W/E | AC可逆电机 | 鼠笼式异步电机 |
| 进线接口 | PE1/2〞进线线锁 | 2-PF 1/2〞进线线锁 | 2个 PF 3/4” |
| 壳体材料 | 铝合金 | 钢,铝合金 | 钢,铝合金,铝青铜,聚碳酸脂 |
| 外涂层 | 干粉,环氧聚酯,具有超强防腐功能 | ||
|
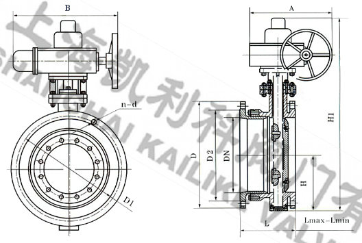
公称 通径 |
外形尺寸(参考值) | 法兰尺寸和螺栓尺寸(标准值) |
电动 装置 型号 (参考) |
||||||||||||||||||
| H | H1 | Lmax | Lmin | L | A | B | 0.6MPa | 1.0MPa | 1.6MPa | ||||||||||||
|
毫 米 |
英 寸 |
D | D1 | D2 | n-d | D | D1 | D2 | n-d | D | D1 | D2 | n-d | ||||||||
| 50 | 2 | 80 | 440 | 164 | 138 | 151 | 250 | 255 | 140 | 110 | 88 | 4-14 | 165 | 125 | 99 | 4-18 | 165 | 125 | 99 | 4-18 |
QB 10-1 |
| 65 | 21/2 | 95 | 445 | 190 | 154 | 172 | 250 | 255 | 160 | 130 | 108 | 4-14 | 185 | 145 | 118 | 4-18 | 185 | 145 | 118 | 4-18 |
QB 10-1 |
| 80 | 3 | 98 | 476 | 195 | 163 | 177 | 250 | 255 | 190 | 150 | 124 | 4-18 | 200 | 160 | 132 | 8-18 | 200 | 160 | 132 | 8-18 |
QB 10-1 |
| 100 | 4 | 114 | 504 | 227 | 184 | 206 | 250 | 255 | 210 | 170 | 144 | 4-18 | 220 | 180 | 156 | 8-18 | 220 | 180 | 156 | 8-18 |
QB 10-1 |
| 125 | 5 | 128 | 550 | 254 | 195 | 215 | 250 | 255 | 240 | 200 | 176 | 8-18 | 250 | 210 | 184 | 8-18 | 250 | 210 | 184 | 8-18 |
QB 20-1 |
| 150 | 6 | 139 | 652 | 240 | 201 | 225 | 300 | 315 | 265 | 225 | 199 | 8-18 | 285 | 240 | 211 | 8-22 | 285 | 240 | 211 | 8-22 |
QB 20-1 |
| 200 | 8 | 174 | 732 | 265 | 215 | 245 | 300 | 315 | 320 | 280 | 254 | 8-18 | 340 | 295 | 266 | 8-22 | 340 | 294 | 266 | 12-22 |
QB 60-1 |
| 250 | 10 | 215 | 823 | 295 | 235 | 265 | 300 | 315 | 375 | 335 | 309 | 12-18 | 395 | 350 | 319 | 12-22 | 405 | 355 | 319 | 12-26 |
QB 60-1 |
| 300 | 12 | 245 | 877 | 308 | 254 | 282 | 300 | 315 | 440 | 395 | 363 | 12-22 | 445 | 400 | 370 | 12-22 | 460 | 410 | 370 | 12-26 |
QB 120-1 |
| 350 | 14 | 270 | 932 | 325 | 271 | 300 | 300 | 315 | 490 | 445 | 413 | 12-22 | 505 | 460 | 429 | 16-22 | 520 | 470 | 429 | 16-26 |
QB 120-1 |
| 400 | 16 | 305 | 1047 | 345 | 283 | 314 | 300 | 315 | 540 | 495 | 463 | 16-22 | 565 | 515 | 480 | 16-26 | 580 | 525 | 480 | 16-30 |
QB 250-1 |
| 450 | 18 | 325 | 1092 | 370 | 314 | 340 | 575 | 714 | 595 | 550 | 518 | 16-22 | 615 | 565 | 530 | 20-26 | 640 | 585 | 548 | 20-30 |
QB 250-1 |
| 500 | 20 | 360 | 1182 | 377 | 316 | 346 | 575 | 714 | 645 | 600 | 568 | 20-22 | 670 | 620 | 582 | 20-26 | 715 | 650 | 609 | 20-33 |
QB 250-1 |
| 600 | 24 | 445 | 1380 | 446 | 388 | 417 | 656 | 810 | 755 | 705 | 667 | 20-26 | 780 | 725 | 682 | 20-30 | 840 | 770 | 720 | 20-36 |
QB 500-0.5 |
| 700 | 28 | 505 | 1502 | 445 | 395 | 425 | 656 | 810 | 860 | 810 | 772 | 24-26 | 895 | 840 | 794 | 24-30 | 910 | 840 | 794 | 24-36 |
QB 500-0.5 |
| 800 | 32 | 560 | 1545 | 479 | 425 | 455 | 656 | 810 | 975 | 920 | 878 | 24-30 | 1015 | 950 | 901 | 24-33 | 1025 | 950 | 901 | 24-39 |
ZA 60 |
| 900 | 36 | 630 | 1710 | 515 | 455 | 485 | 785 | 863 | 1075 | 1020 | 978 | 24-30 | 1115 | 1050 | 1001 | 28-33 | 1125 | 1050 | 1001 | 28-39 |
ZA 60 |
| 1000 | 40 | 680 | 1805 | 525 | 465 | 495 | 785 | 863 | 1175 | 1120 | 1078 | 28-30 | 1230 | 1160 | 1112 | 28-36 | 1255 | 1170 | 1112 | 28-42 |
ZA 60 |
| 1200 | 48 | 795 | 2096 | 574 | 512 | 542 | 785 | 863 | 1405 | 1340 | 1295 | 32-33 | 1455 | 1380 | 1328 | 32-39 | 1485 | 1390 | 1328 | 32-48 |
ZA 120 |
| 1400 | 56 | 900 | 2296 | 599 | 547 | 572 | 790 | 1338 | 1630 | 1560 | 1510 | 36-36 | 1675 | 1530 | 1530 | 36-42 | 1685 | 1590 | 1530 | 36-48 |
ZA 120 |
| 1600 | 64 | 1100 | 2720 | 640 | 589 | 615 | 868 | 1476 | 1830 | 1760 | 1710 | 40-36 | 1915 | 1820 | 1750 | 40-48 | 1930 | 1820 | 1750 | 40-56 |
ZA 240 |
| 1800 | 72 | 1124 | 2830 | 725 | 670 | 659 | 868 | 1476 | 2045 | 1970 | 1718 | 44-39 | 2115 | 2020 | 1950 | 44-48 | 2130 | 2020 | 1950 | 44-56 |
ZA 240 |
| 2000 | 80 | 1290 | 3120 | 764 | 680 | 722 | 965 | 1600 | 2265 | 2180 | 2125 | 48-32 | 2325 | 2230 | 2150 | 48-48 | 2345 | 2230 | 2150 | 48-62 |
ZA 240 |
声明:【SD941X,SD943H电动法兰式伸缩蝶阀】规格型号、结构尺寸由万象城手机在线官网,万象城(中国)提供,如何选择适用的SD941X,SD943H电动法兰式伸缩蝶阀产品,使之在工艺控制中安全可靠、经济适用,可致电我司销售部门及技术部门,我们将在最短的时间内为您解答! |